Produkty

TR50-2440B

Kategorie: 6 os

Model: TR50-2440B

Nosnost: 50 kg

Rozsah: 2448 mm

TURIN 6osý robot TR50-2440B - působivý dosah a výkon

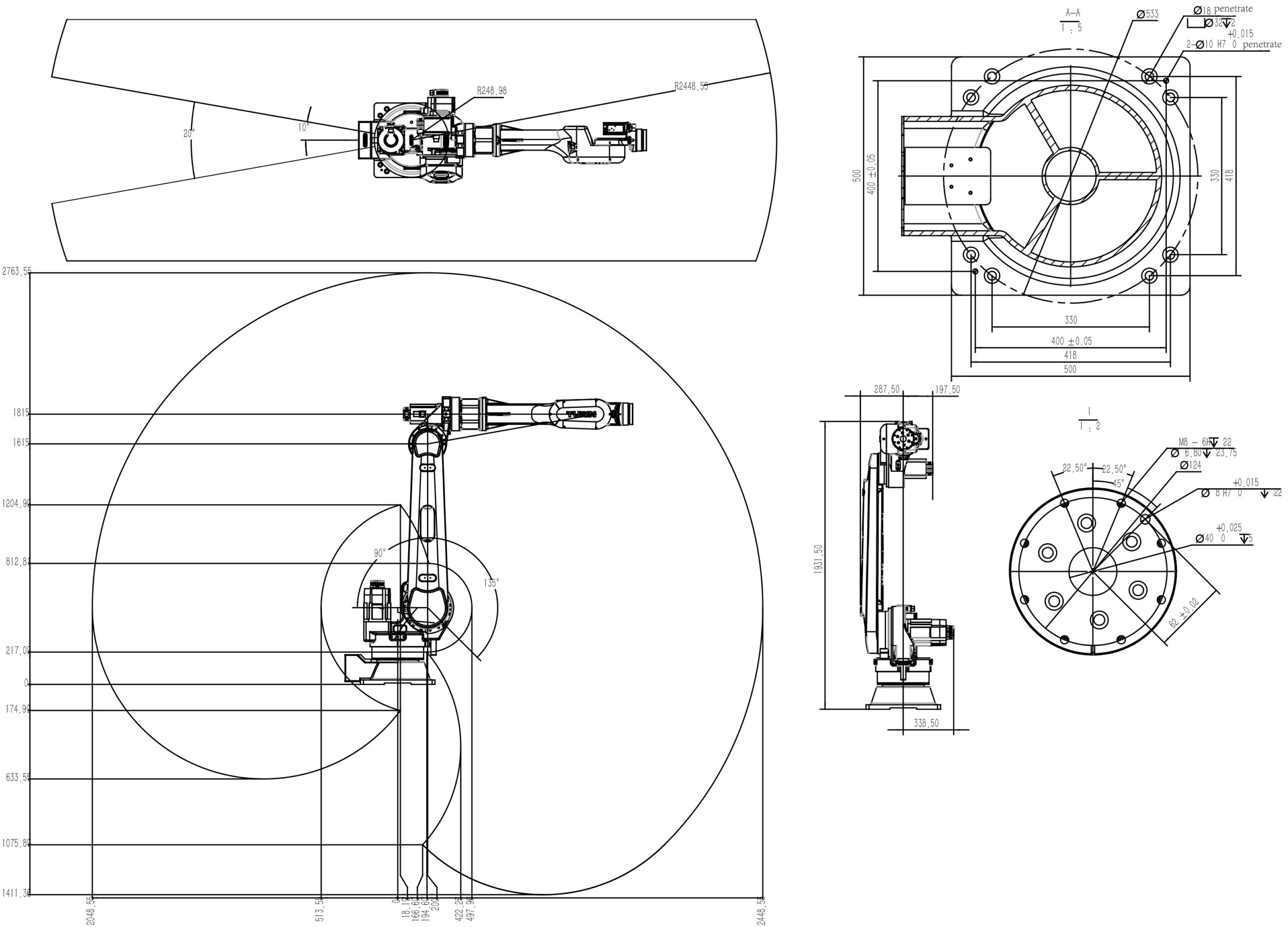
Šestiosý robot TR50-2440B TURIN je robot s užitečným zatížením 50 kg a dosahem ramene 2448 mm. Díky své vysoké nosnosti a působivému dosahu je ideální pro nejnáročnější aplikace na rozšířených pracovištích, kde je vyžadována jak přesná manipulace, tak manipulace s těžkými břemeny na dlouhé vzdálenosti.

 

Klíčové technické parametry

  • Nosnost: 50 kg - pro náročné aplikace.
  • Dosah ramene: 2448 mm - maximální pracovní flexibilita.
  • Opakovatelnost: ±0,08 mm - vysoce přesný provoz.
  • Maximální rychlost kloubu:
    • J1 - 127°/s
    • J2 - 105°/s
    • J3 - 150°/s
    • J4 - 231°/s
    • J5 - 250°/s
    • J6 - 372°/s
  • Rozsah pohybu kloubů: 
    • J1 ±170°
    • J2 -90°~135°
    • J3 -185°~90°
    • J4 ±200°
    • J5 ±120°
    • J6 ±360°
  • Jmenovitý výkon: 7 kW - efektivní spotřeba energie.
  • Napájení: 3fázové AC380 V (-10 %~+10 %)
  • Hmotnost robota: 650 kg - robustní konstrukce, která vydrží intenzivní používání.
  • Ovladač: TRC3-C06 - inteligentní řízení pohybu.
  • Montáž: Podlahové - snadná integrace do automatizačních systémů.

Použití polohovačů typu U

  • Montáž a manipulace - přesné operace v těžkém průmyslu.
  • Balení a třídění - zvýšení efektivity výrobních procesů.
  • Obrábění a svařování - podpora při složitých technologických operacích.
  • Kontrola kvality - důkladná kontrola výrobku.
  • Leštění a lisování - optimální povrchová úprava v náročných aplikacích.

Oblasti použití: Montáž, manipulace, balení, třídění, obrábění, svařování, lisování, leštění, testování, kontrola kvality, automatizace procesů na velkých pracovištích, zvedání těžkých břemen a práce na dlouhé vzdálenosti, těžký průmysl, výroba velkých komponentů, práce v náročném průmyslovém prostředí.

Technické údaje:

TR50-2440B
Nosnost [kg]50 kg
Dosah ramene2448 mm
Opakovatelnost±0,08 mm
Maximální rychlost kloubu J1127°/s
J2105°/s
J3150°/s
J4231°/s
J5250°/s
J6372°/s
Maximální rozsah kloubů J1±170°
J2-90°~135°
J3-185°~90°
J4±200°
J5±120°
J6±360°
Jmenovitý výkon7 kW
Jmenovité napětí3-fázovéAC380V-10%~+10%
Hmotnost robota650 kg
OvladačTRC3-C06
MontážPodlahová

Schéma

Materiály pro zařízení:

Ostatní produkty

Nosnost: 3-5 kg

Dosahramene: 500 mm

Nosnost: 70 kg

Rozsah: 2119 mm

Nosnost: 30 kg

Dosah ramene: 1721 mm

Kontakt

Dejte mi prosím vědět
nebo nabídku produktu