Produkty

TR06-500/600/700 S/TW TURIN

Kategorie: Scara

Model: TR06-500/600/700 S/TW

Nosnost: 6 kg

Dosah ramene: 500/600/700 mm

Robot SCARA TR06-500/600/700 S/TW TURIN –kompaktní a přesné řešení pro automatizaci výroby

Průmyslový SCARA robot TR06-500/600/700 S/TW TURIN je moderním řešením pro společnosti, které hledají spolehlivého robota s vysokou přesností. Díky jmenovité nosnosti 6 kg a možnosti volby dosahu ramene od 500 do 700 mm nabízí univerzální využití v procesech vyžadujících rychlost, opakovatelnost a preciznost. Podlahová montáž a robustní konstrukce zajišťují stabilní výkon v různých průmyslových prostředích.

Klíčové technické parametry

  • Nosnost: nominální 6 kg –optimální řešení pro průmyslové aplikace.
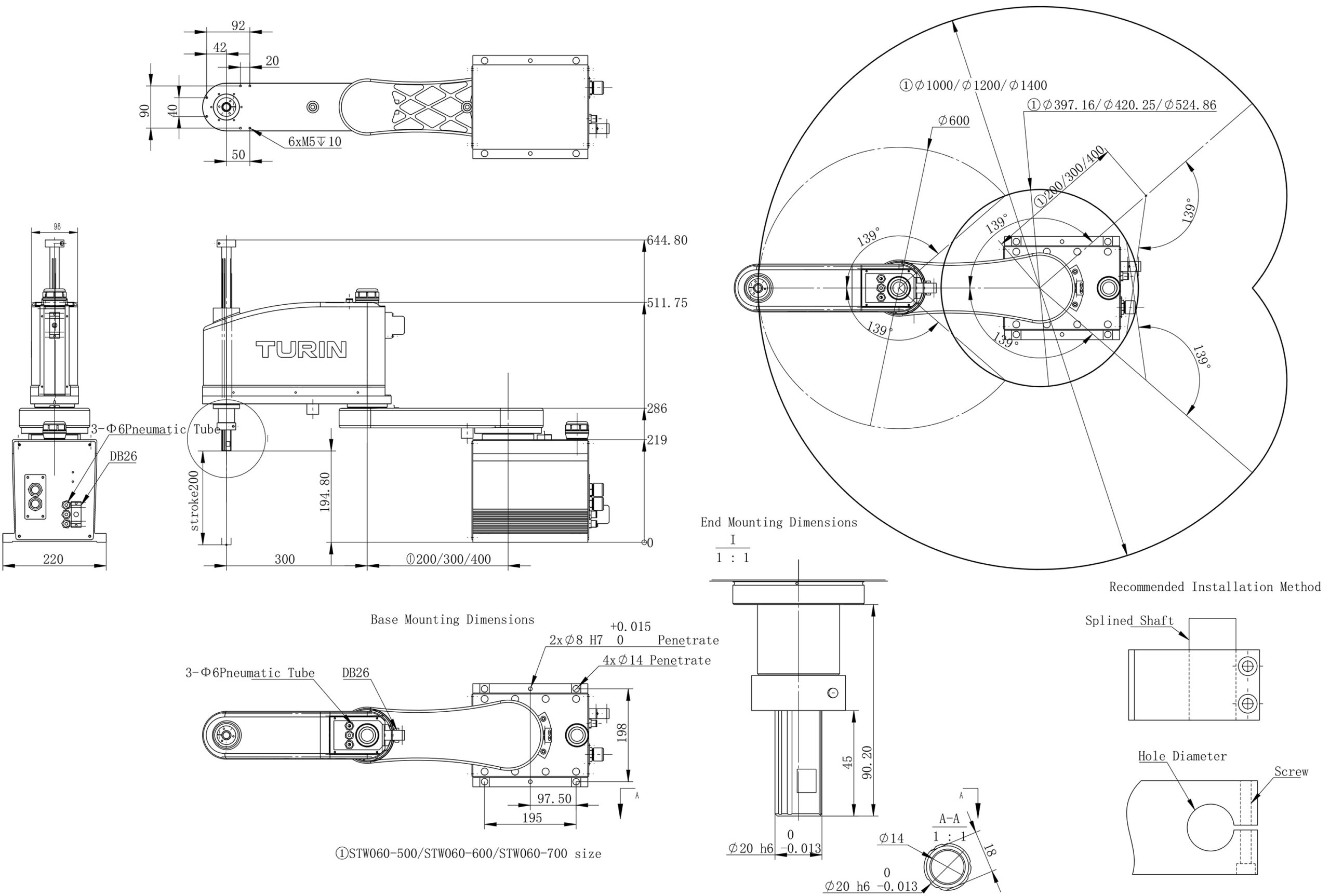
  • Dosah ramene: celkem 500/600/700 mm (první rameno 200/300/400 mm + druhé rameno 300 mm) –flexibilita dle výrobních potřeb.
  • Opakovatelnost: J1/J2 ±0,02 mm, J3 ±0,01 mm, J4 ±0,01° –vysoká přesnost pohybu.
  • Maximální rychlost kloubu: 
    • J1/J2 - 7693/8478/9263 mm/s
    • J3 - 1000 mm/s
    • J4 - 3500°/s 
  • Rozsah pohybu kloubů: J1 ±139°, J2 ±139°, J3 200 mm, J4 ±360° –plná flexibilita.
  • Jmenovitý výkon: 37,5 / 40 / 42 kg –stabilní konstrukce.
  • Hmotnost robota: 37,5/ 40/ 42 kg.

Výhody robota

  • Kompaktní design: ideální pro práci v omezených prostorech.
  • Vysoká přesnost a opakovatelnost: spolehlivý výkon v aplikacích vyžadujících opakovatelnost.
  • Flexibilní konfigurace: možnost volby dosahu ramene podle aplikace.

Použití polohovačů typu U

  • Přesné montážní operace: sestavování elektronických a mechanických komponentů.
  • Automatizace logistických procesů: Balení, třídění a plnění.
  • Kontrola kvality: rychlá a přesná kontrola výrobků.
  • Pick and place na výrobních linkách.

Oblasti použití: Montáž, balení, třídění, plnění, etiketování, testování, kontrola kvality, zpracování materiálů, automatizace laboratoří, aplikace typu pick and place.

Technické údaje:

TR06-500/600/700 S/TW TURIN
Nosnost [kg] Nominální 6 kg
Maximální -
Dosah ramene 1 + 2 robotické rameno 500/600/700 mm
První rameno 200/300/400 mm
Druhé rameno 300 mm
Opakovatelnost J1/J2 ±0,02 mm
J3 ±0,01 mm
J4 ±0,01°
Maximální rychlost kloubu J1/J2 7693/8478/9263 mm/s
J3 1000 mm/s
J4 3500°/s
Maximální rozsah kloubů J1 ±139°
J2 ±139°
J3 200 mm
J4 ±360°
Jmenovitý výkon 1,15 kW
Hmotnost robota 37,5 / 40 / 42 kg
Ovladač TRC4-A03
Montáž Podlahová

Schéma

Materiály pro zařízení:

Ostatní produkty

Nosnost: 6 kg

Dosah ramene: 1412 mm

Nosnost: 60 kg

Rozsah: 2119 mm

Nosnost: 7 kg

Dosah ramene: 960 mm

Kontakt

Dejte mi prosím vědět
nebo nabídku produktu